Requested : Details/Manufacturer Mains Switch Bryston 2B -LP

0 Members and 4 Guests are viewing this topic. Read 1566 times.

REDGUUZ

  • Jr. Member
  • Posts: 14
Hi,

I am in the process of overhauling  a Bryston 2B -LP ca. 1990 Serial  207634 , Main Amp.
(In one channel,  one of the supply line capacitors (ROE 4700 uF, 50V, 105 deg C) had deteriorated.
Replaced all those 4 ROE's Supply line capacitors (2 in each channel)  and 6x 470 uF Nippon Chemicon 470 uF 16V 105 deg.C. electrolytic Caps.

However, in the process, unfortunately I damaged the Power Switch.

Can you please provide me with the Details (Type/manufacurer/etc.) of this mains/power switch ? and possibly a source where to purchase it.

Also (if possible) , I would like to order one full set of black Robertson screws which retain the lid and the front heatsinks, in order to fully tidy up this amp.
I believe this  AMP was reviously used in an IMAX movie theatre in Rotterdam, Holland, but it has survived very well.

I would really appreciate your help!

Kind regards,

Martin (the Netherlands).

James Tanner

  • Facilitator
  • Posts: 20959
  • The Demo is Everything!
    • http://www.bryston.com
Re: Requested : Details/Manufacturer Mains Switch Bryston 2B -LP
« Reply #1 on: 27 Oct 2025, 10:35 pm »
Hi Martin - please email Mike - [email protected]

REDGUUZ

  • Jr. Member
  • Posts: 14
Re: Requested : Details/Manufacturer Mains Switch Bryston 2B -LP
« Reply #2 on: 28 Oct 2025, 08:17 am »
Hi James,

Thank you very much for the help.

Regards,

Martin

REDGUUZ

  • Jr. Member
  • Posts: 14
Hi Forum,

Very happy to report that the Dutch Importer MAFICO has sent me a complete Power Switch for a Bryston 2-LP.
Alway very fine service from this importer.

(I have 2 Bryston 2 LP's (resp 1991 and 1993), which were originally used by the Dutch Radio NOS 1.
Although they were still 100% functioning (after some - 35 years), I have now recapped them, just to be sure).

Amazing quality and service, these Bryston AMPs !


GrooveControl

  • Jr. Member
  • Posts: 227
... I have now recapped them, just to be sure)...

Hi REDGUUZ, did you re-bias the amp after changing the caps? and if so, can you share the procedure for this? 

I see the test point in the top right corner, and the adj pot near the top centre.  Are these what we use, and what value are we aiming for?

Thanks in advance. 





REDGUUZ

  • Jr. Member
  • Posts: 14
Re: Requested : Details/Manufacturer Mains Switch Bryston 2B -LP
« Reply #5 on: Yesterday at 09:15 am »
Hi Groovecontrol,

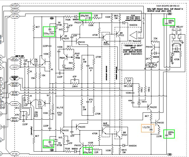
You apparently have the same vintage (1993) Amp as the one (of he two) Serial #207634, which I recapped (Photo 1 and 2).
I judge this from the PCB Marking (April 90) and the Black ROE EYF 4700uF 50V 105 deg. C power rail caps.
(My other Bryston 2-LP (1991), Serial #205958, has Gold coloured ROE's, same form factor,  but is otherwise identical to the newer amp.
You have the professional version, which has a volume control, bot otherwise the PCB is identical.

1)
I did NOT touch the Bias setting, because this is NOT required if you haven't replaced the SJ6521A  /SJ 6522A Power transistors and/or the drivers (SJ1490/1491).
When recapping a fully working Bryston 2B-LP amp (as in my case), you do  NOT have to reset the bias (leave well alone!).

2)
Also, I  did NOT replace the dodgey bias pot by a multiturn Cermet pot.
(I would have done this, if I was repairing a blown amp).
If you do not touch the old pot, I think it will hold on, but if you are planning to readjust the bias, it is almost imperative to replace it.
If the wiper of the old pot  opens  up temporarily whilst adjusting, you will blow your power transistors.

3)
If you would replace this bias pot I would advise to first determine the setting by measuring (with an Ohm meter), the resistance between the wiper and each of the ends.
Next, I would reset the new (multiturn cermet) pot such that it hase the same reading between the wiper and the ends.

4)
The procedure for setting the Bias is explained in Bryston's service sheet for the older (but almost electrically identical) Bryston 2B.
See attachment 3 for the procedure and attachment 4 for the correct schematic.
This file used to be on their website, but I cannot locate it anymore (I assume it is public though).

John Tullet has alaso provided a very detailed narrative on setting the Bias on a Bryston 2B :

https://www.audiocircle.com/index.php?topic=184949.msg1940311#msg1940311

5) Recommended Bias setting

The recommended bias setting (aged components and temperature stabilised) is 10 - 12 mV, measured across the green 0.15 Ohm power resistor next to TP1.
I would advise to make dedicated plug  + wires (which fit  on TP1) and hook up these wires to your DMM (in mV setting DC).

6) "Recapping"

Imperative:
2X ROE EYF 4700uF 50V 105 deg C by Nichicon 6800 uF 50V 105 deg C (Diameter 35m Height 32 mm).
Resistor for LED : 2K7 1/2W  to be replaced by 2K7  3W  Metal Film resistor :  Your one is already partially fried!!

Optional:
3X Chemiccon KME 470 uF 16V 105 deg.C by  Nichicon UKA 470 uF 35V 105 deg C or Panasonic FC 470 uF 35V 105 deg C

3x Tantalum KEMET 1.5 uF 35V by film capacitor WIMA MKS2 1.5 uF 63V

The tantalum caps have 50% safety factor (35V vs 24V  rail voltage), but KEMET nowaday prescribes much higher safety factors : 2-3 Times the rail voltage!!


I replaced these tantalums , just to be sure!
The Nichicon's  ( 470uF 16V) were still OK, the ROE's (4700 uF 50V) were definitely failing (bulged) and will then leak out a nasty electrolyte.



I hope that this has answered you questions.
I like these little amps and I am very happy with them and Bryston's excellent service.





















GrooveControl

  • Jr. Member
  • Posts: 227
Re: Requested : Details/Manufacturer Mains Switch Bryston 2B -LP
« Reply #6 on: Yesterday at 02:20 pm »

I hope that this has answered you questions.
I like these little amps and I am very happy with them and Bryston's excellent service.


I appreciate you taking the time to provide all this info. This is very useful.  Thank you. 

This is the third time I own this amp.  The first two were from the 80s and had the older transformers the hummed like crazy so I sold those.  But I’m keeping this one! Mine has the headphone jack and is fantastic at driving my middle range headphones. 

Yep, can’t say enough about Bryston’s service too. Top notch. 

Now, off to order some parts…

Cheers

REDGUUZ

  • Jr. Member
  • Posts: 14
Re: Requested : Details/Manufacturer Mains Switch Bryston 2B -LP
« Reply #7 on: Yesterday at 07:11 pm »
Hi GrooveControl,

You're welcome!

Forgot to mention:

If you can borrow or own a variable mains auto-transformer (AKA Variac) , it is a good practice to start up one channel of the overhauled amp , whilst monitoring the speaker outlet for off set ( DMM in DC mV setting).

Slowly increase the "mains voltage" from zero volts by slowly turning the Variac to your nominal voltage.
I live in a 230V country: at approx 145 V AC, the yellow relay clicks and  and you get a DC offset reading at your Loudspeaker terminals..
Keep on monitoring this DC offset between the red and black Loudspeaker sockets, whilst slowly increasing the "Mains" voltage to nominal value. (in my case 230 V AC).
 In 120V AC countries, I would expect the yellow relay to click at approx 75V AC mains. Slowly increase to 120 V AC.
 
The DC Offset should stay below 50 mV.
Install the PCB of the other channel  (amp switched off) and repeat this procedure.

Test the amp with cheap speakers just to be sure that everything is well.

I had a very low offset (resp 2 and 4 mV) in the channels of one Amp: the 1991 model
In the younger 1993 amp this offset was 17 and 15 mV. (both before and after recap).
In these Bryston 2B-LP amps one  cannot adjust the DC offset  to almost zero mV (there is no pot).

Only the SST series received a Pot to fully trim DC offset to zero mV.

Success with your restoration!

Martin


GrooveControl

  • Jr. Member
  • Posts: 227
Re: Requested : Details/Manufacturer Mains Switch Bryston 2B -LP
« Reply #8 on: Yesterday at 08:45 pm »

Success with your restoration!


Thanks again Martin. 

I don't have a Variac, but I did use a dim bulb thingy when I restored my Marantz receivers several years back.  I was testing as I went along, every few caps or so.  This 2B will be even easier to work on. I'll only be touching the amp boards, nothing mounted directly to the chassis.