Home
Circles
Gallery
Systems
Calendar
About/Help
Login
Register
Circles
»
Industry Circles
»
Bryston Limited
(Moderator:
James Tanner
) »
Topic:
MPS-1 cable replacement
« previous
next »
Print
Pages: [
1
]
Go Down
MPS-1 cable replacement
REDGUUZ
and 4 Guests are viewing this topic. Read 192 times.
Vhond
Jr. Member
Posts: 57
MPS-1 cable replacement
«
on:
Yesterday
at 10:07 am »
Hi,
Does somebody know what kind of cable has been used for the connection between the MPS-1 power supply and preamp like a BP25?
It's some kind of DIN. Maybe somebody has schematics of this cable?
Thx in advance
Logged
REDGUUZ
Jr. Member
Posts: 36
Re: MPS-1 cable replacement
«
Reply #1 on:
Yesterday
at 11:48 pm »
Hi,
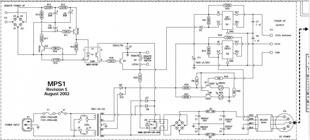
I recently looked at the opportunity to buy a good second hand BP25, so I also did some Research on the schematics.
Please find attached a schematic which shows the interior of the MPS-1 and the hookup of the 5 pin Din cable to the BP25.
Logged
Print
Pages: [
1
]
Go Up
« previous
next »
Circles
»
Industry Circles
»
Bryston Limited
(Moderator:
James Tanner
) »
Topic:
MPS-1 cable replacement