Home
Circles
Gallery
Systems
Calendar
About/Help
Login
Register
Gallery
»
Browse gallery
»
Albums by John Tulett
»
The Lab
»
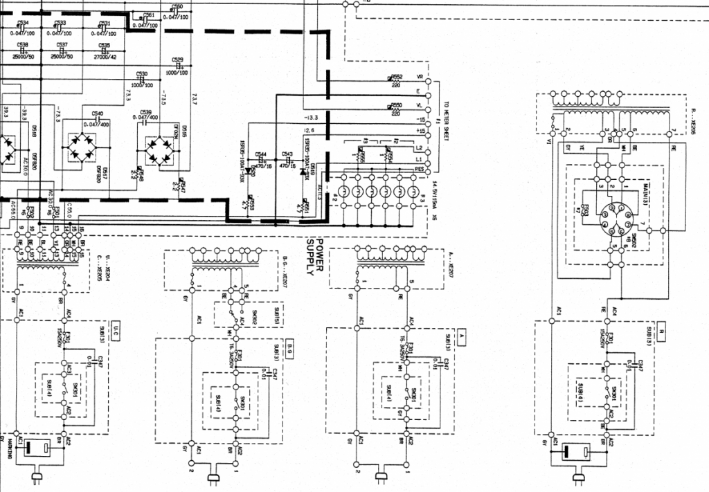
Yamaha MX-800 power supply circuit diagram
Gallery
Browse gallery
Random albums
I'm Feeling lucky
(No Previous Image)
Up to The Lab
(No Next Image)
Yamaha MX-800 power supply circuit diagram
tiny
|
small
|
medium
|
large
|
xlarge
|
huge
View slideshow